|
Si vous avez construit et testé ce cuiseur, n'hésitez pas à partager avec nous votre expérience. Merci d'avance: André Kotowski |
Modèle de cuiseur à construire
Introduction
Nous avons désigné et réalisé en 2009 en France le cuiseur solaire à panneaux réfléchissants. Il permet de cuire de la viande, des saucisson, de la volaille et du poisson mais il ne permet pas de bouillir de l'eau en grande quantité. Il peut être également utilisé dans le but éducatif ou pour les démonstrations. Ce cuiseur est constitué de quatre panneaux réfléchissants plans qui concentrent les rayons solaires sur une sauteuse avec couvercle transparent en Pyrex. La sauteuse est placée sur un dessous en bois qui repose sur un panneau réfléchissant horizontal. L'avantage de ce cuiseur est sa simplicité.
Pour votre première expérience avec la cuisson solaire, nous vous proposons de construire le cuiseur semblable en utilisant tout simplement le carton de récupération, le miroir adhésif bon marché et les outils disponibles pour tous.
La construction de ce cuiseur est optimisé pour latitude comprise entre 0° et 30° .
Conseils techniques
Carton
Il faut que le carton soit assez rigide. Sinon, collez deux couches de carton ou même trois pour le panneau horizontal. Si vous collez le carton ondulé il faut que le sens des ondes dans deux couches soit perpendiculaire.
Miroir adhésif
Utilisez le miroir adhésif VENILIA. On peut le trouver dans le catalogue de "3 Suisses " et de "Temps L" ainsi que dans certains magasins de bricolage et de papeterie. Cherchez également sur le Web. La surface ou on pose le miroir adhésif doit être parfaitement lisse. Avec du carton ondulé, il est préférable de coller d'abord du carton lisse (fiches BRISTOL par exemple).
Sauteuse
Utilisez une sauteuse plate obligatoirement avec couvercle transparent. Diamètre est de 28 cm, hauteur de la partie métallique de 6 à 9 cm. Plus la sauteuse est large, mieux le cuiseur fonctionne. L'intérieur de la sauteuse doit être obligatoirement noir ou gris foncé (revêtement en TEFLON). Couleur extérieure doit être noire si possible, mais les autres couleurs foncées sont aussi acceptées.
Dessous de sauteuse
Ne posez pas la sauteuse directement sur le panneau réfléchissant horizontal. Utilisez le dessous en bois, en liège ou en carton ondulé de diamètre correspondant, d'épaisseur de 3 cm environ.
Conseils d'utilisation
Pour le fonctionnement optimal de cuiseur il faut le réorienter vers le soleil toutes les demi-heures. Ce cuiseur est sensible au vent, à la poussière et à la pluie. Si possible, posez le dans un lieu protégé contre le vent ou utilisez des briques pour augmenter sa stabilité. Commencez votre expérience par la cuisson des oeufs au plat - ça marche toujours.
Conseils de sécurité
La température de la sauteuse en fonctionnement dépasse 100 °C. Il y a un risque de brûlure car cette danger n'est pas visible (pas de flamme, pas de fumé). Ne laissez pas ce cuiseur sans surveillance dans un lieu accessible aux autres et surtout aux enfants. Et en plus, installez sur le cuiseur (ou à coté) un panneau d'avertissement.
Plans
Figure 1
Figure 2
Figure 3
Figure 4
Figure 5
Figure 6
Click sur immage pour agrandir !
Légende :
- Panneau vertical central
- Panneau vertical droit
- Panneau vertical gauche
- Panneau horizontal
- Miroir adhésif
- Position des panneaux verticaux
- Ruban adhésif
- Colle
Figures :
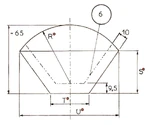
Fig 1. Les panneaux du cuiseur
Fig 2. Panneau vertical central (1)
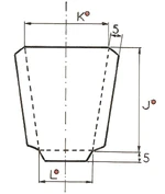
Fig 3. Panneau vertical droit (2) et gauche (3)
Fig 4.Panneau horizontal (4)
Fig 5. Montage des panneaux verticaux.
Fig 6. Montage de l'ensemble des panneaux verticaux sur le panneau horizontal.
Les valeurs numériques de J, K, L, M, N, O, P, R, S, T, U (en cm)
| J | K | L | M | N | O | P | R | S | T | U |
|---|---|---|---|---|---|---|---|---|---|---|
| 50 | 40 | 26 | 63 | 50 | 39 | 38 | 50 | 38 | 36 | 90 |
Pour les détails de construction, je compte sur votre bon sens de bricoleur.
Mais je vous conseille de construire un petit modèle réduit du cuiseur (échelle 1:10) avant de réaliser le cuiseur de grandeur réel.
