|
|
|
Last edited: 24 May 2023
|
Fatona Waluya
Fatona Waluya is a solar cooking enthusiast and designer living in Indonesia. He is passionate about educating fellow citizens in Indonesia who are struggling economically but still ignore simple solutions possible with technology.
I hope someday we can help the world from poverty through technology, education and politics, and we can be self-sufficient people who can prepare from something unplanned, especially natural disasters that can happen easily and often in Indonesia. His YouTube channel addresses some of these concerns. https://www.youtube.com/channel/UC44ZNiutQumy9efRYK7AggQ
News[]
DIY parabolic solar cooker Photo credit: Fatona Waluya
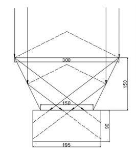
- May 2023: Fatona recently reported last year he made his first DIY parabolic solar cooker from a satellite communications dish and reflective adhesive-backed sheets. He made the metal framework for the dish and pot holder. More recently, he designed and made a solar box oven.
- solar box oven by Fatona
- Image credit: Fatona Waluya
External links[]
Contact[]
Fatona Waluya
Email: waluya2404@gmail.com





